歡迎訪問東莞市穎鑫電子科技有限公司
手機:13827297626
電話:13827297626
郵箱:435281082@qq.com
地址:廣東省東莞市樟木頭鎮圩鎮荔苑路7號星耀國際
發布時間:2020-09-12 點此:2931次
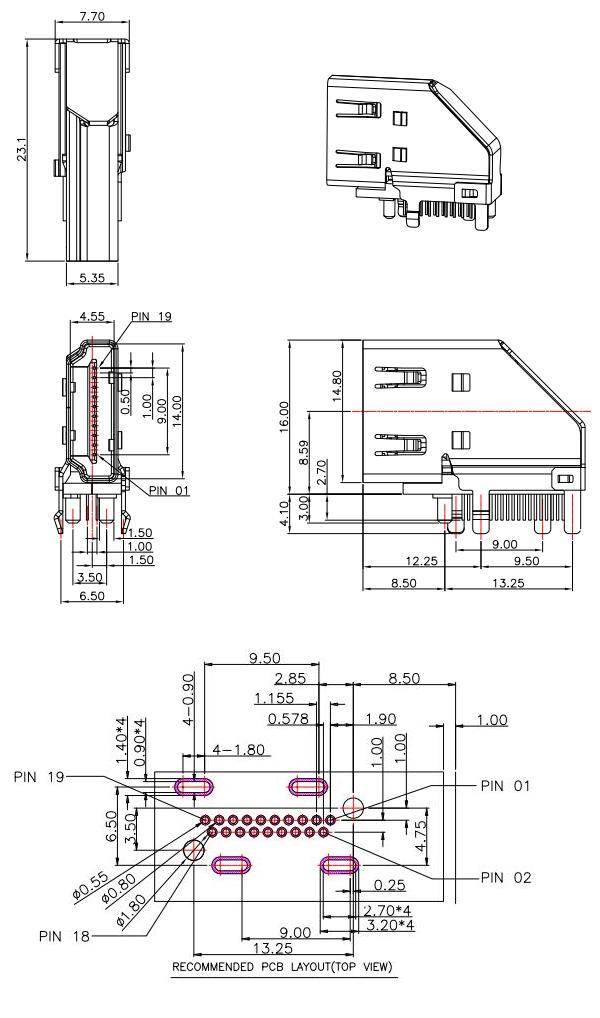
HDMI-A-10,HDMI A/F 側插/側插HDMI母座,臥式側插HDMI插座19P
现有產品規格
型式:HDMI TYPE A
膠芯正反向:正向
插拔力:5-44N
插拔次數:5,000次
焊接方式:DIP
外殼材質:鐵殼
包裝方式:捲裝

.jpg)
下一篇:MSK-04H撥動開關
相關推薦