歡迎訪問東莞市穎鑫電子科技有限公司
手機:13827297626
電話:13827297626
郵箱:435281082@qq.com
地址:廣東省東莞市樟木頭鎮圩鎮荔苑路7號星耀國際
發布時間:2023-04-13 點此:725次
微型輕觸開關種類很多,基本以貼片爲主,下面列舉常見型號的小型輕觸開關尺寸和安裝圖
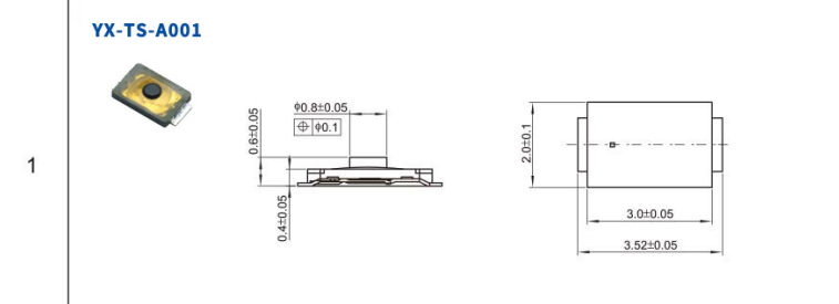
YX-TS-A001,3*2微型輕觸開關

電路安裝圖

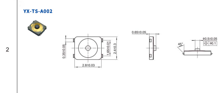
YX-TS-A002,2.8*2.4微型輕觸開關

電路安裝圖

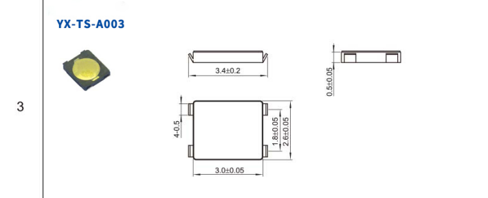
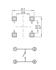
YX-TS-A003,3*2.6微型輕觸開關

電路安裝圖

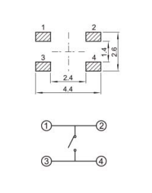
YX-TS-A005,3.7*3.7小型貼片輕觸開關

電路安裝圖

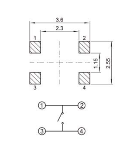
YX-TS-A006,四腳貼片小型輕觸開關

電路安裝圖

微型輕觸開關注意事項
1、給輕觸開關端子進行焊接時,如果在端子上施加負荷,因條件不同會有松動,變形及電特性劣化的可能,請在使用時注意。
2、使用通孔印刷電路板及推薦以外的電路板時, 由于熱應力的影響會發生變化,所以請事先就焊接條件進行充分的確認。
3、進行兩次焊接時,請在第一次焊接部分恢複到常溫之後再進行。連續加熱可能使外圍部變形,端子的松動,脫落及電特性降低。
4、關于焊接的條件設定,需要確認實際批量生產條件。
5、现有產品以直流的電阻負載爲前提設計制造的。使用其它負荷[感應性負荷,電容性負荷]時,請另行確認。
6、印刷電路板安裝孔及模式,請參照现有產品圖中記載的推薦尺寸。
7、開關請用于直接由人操作按開關的結構。請不要用于機械性的檢測功能。
8、輕觸開關操作時,如果施加規定以上的負荷,開關將有被損壞的可能。請注意不要在開關上施加規定以上的力。
9、請避免從側面按操作部的用法。
10、對于平軸杆型,盡量按下開關中心部。對于铰鏈結構,按下時軸杆按動位置將移動,請特別注意。
11、開關安裝後,因其他零部件的粘結劑硬化等通過蓄熱硬化爐時,請與專業人士聯系。
12、如果使用開關的整機的周圍材料產生腐蝕性氣體,將有可能造成接觸不良等現象,所以請事先進行充分的確認。
13、碳接觸點具有因推壓負荷接觸電阻發生變化的特性。用于電壓分壓回路等時,請在充分確認之後使用。
14、關于密閉型以外的型號,對異物的侵入,請充分注意。
上一篇:方形輕觸開關有哪些